2 Boyutlu Teknik Resim Örnekleri (Orta)
2D (2 Boyutlu) Teknik resim örneklerimizin orta seviye grubunu incelediğimizde teknik resimler içerisinde temel komutların dışında döndürerek çoğaltma, aynalama, budama gibi işlemleri de görüntülüyoruz. Elbette teknik resmin ne kadar hızlı şekilde modele dönüşeceği konusu sizin SolidWorks , Autocad gibi Cad yazılımlarının komutlarına ne kadar hakim olduğunuza bağlıdır.
2 BOYUTLU TEKNIK RESIMLER


Orta Seviye Uygulamalar


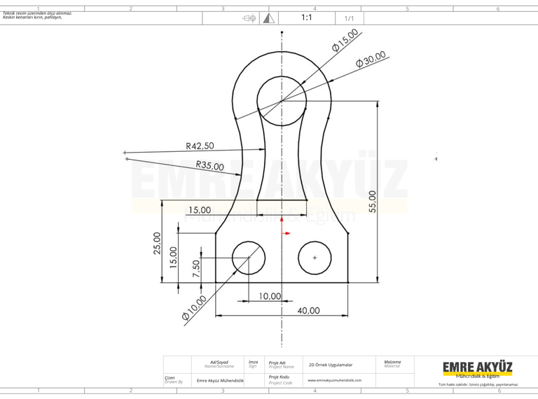
Autocad, SolidWorks gibi Cad yazılımları için eğitim amaçlı kullanabileceğiniz bir başka teknik resim. Teğetlik ilişkisini kullanmayı ihmal etmeyiniz.
Ölçülendirilmiş 2 boyutlu çizimleri Autocad becerilerini geliştirmek için kullanabilirsiniz. Üniversite, lise Autocad sınavlarınıza bu teknik resimler üzerinden çalışabilirsiniz.




Bu tarz teknik resimlerde hem Autocad hem SolidWorks yazılımında aynalayarak modelleri oluşturmanız işinizi pratik ve hızlı hale getirecektir.
Yukarı da bulunan teknik resmi incelediğimizde Cad yazılımları için döndürerek obje çoğaltmayı kullanabiliriz. Trim (budama) komutu yardımıyla dairesel objelerimizi budayabiliriz.
